Feux de navigation et de mouillage (diodes électroluminescentes)
A noter que cet article a été écrit en Avril 2003 sur une réalisation de Novembre 2001, à une époque ou les feux et ampoules à leds n'avaient pas envahi les catalogues d'accastillage. Il est encore valable pour ceux qui voudraient fabriquer eux mêmes leurs feux à leds.
Après 8 années de navigation, je n'ai eu aucune panne sur ces feux de navigation et mouillage. J'attribue cette fiabilité à d'une part la longue durée de vie des leds, et surtout au fait d'avoir soudé les feux à leds plutôt que de les avoir fixé dans un "sucre". En effet, l'intensité faible du circuit s'accomoderait beaucoup moins d'un mauvais contact oxydé, que les feux à incandescence.
Lors de longues navigations et traversées, l'économie d'énergie est souvent cruciale. Pour faire fonctionner le pilote automatique, on eteind d'abord le frigo, on économise sur l'éclairage intérieur, puis on prends la difficile décision de naviguer de nuit sans feux de navigation, tout d'abord par pleine lune, puis la lune decroit…
C'est ainsi qu'au plein milieu de l'Atlantique, a 1h du matin, j'ai du donner un coup de barre in extremis, pour éviter de 5 mètres, un autre voilier navigant lui aussi tous feux éteints.
De même nous avons pris l'habitude de ne plus allumer notre feu de mouillage, pour économiser l'énergie, denrée rare et souci de chaque instant.
Les feux de mouillage et de navigation, en tête de mat, sont munis d'ampoule de 25 et 10W, et consomment donc 2A et 0,8A. Ce qui au bout d'une nuit de 10h n'est pas négligeable.
J'ai donc étudié la possibilité de remplacer ces ampoules par 12 leds (diodes electro luminescentes) blanches a haute luminosité (5000 mCD par led).
Pour un budget non négligeable, puisque chaque led coûte 3 Euros, un peu d'électronique, et quelques jours d'essais et de bricolage, mon bateau est maintenant muni en tête de mat de feu a leds qui consomment 80 mA chacun, ce qui fait tout de même 10 a 25 fois moins que les ampoules traditionnelles. On n'a alors plus aucun scrupule a allumer ces feux toutes les nuits.
Certains argumenteront que le rendement théorique des leds est bien moins important que cela. Je m'en suis tenu a la pratique, a la mesure des consommations, et a la mesure des luminosités, qui me donne entière satisfaction pour cette utilisation.
Le Schéma

Chaque feu est composé de 12 leds.
Elles sont alimentées chacune en 3,6V, soit 10,8V pour un ensemble de 3 leds en série.
4 séries en parallèle sont necessaires pour constituer l'ensemble des 12 leds.
Chaque série de led étant traversée par un courant de 20 mA, l'ensemble du montage consommé 80 mA.
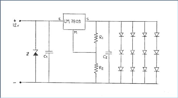
Vu que les leds ont une très longue durée de vie, si leur tension d'alimentation ne dépasse pas certaines limites, et vu que le 12V d'un voilier varie généralement de 12,2 V a 13,8 V, j'ai regule la tension a l'aide d'un régulateur integre LM7809. Sa “masse” est reliée a un pont de résistance R1-R2 qui fixe la bonne tension de sortie: 10,8 V.
La diode Zener Z en entrée protégé contre une éventuelle surtension
Le condensateur C1 absorbe les pics sur la tension d'alimentation.
Le condensateur C2 absorbe les parasites en sortie du régulateur. Ces 2 condensateurs sont préconises dans la doc constructeur du régulateur.
Les composants
|
Noms |
Quantité |
Description |
|
Z |
1 |
Diode Zener de 22V, 1W |
|
C1 |
1 |
0,33 uF |
|
C2 |
1 |
0,01 uF |
|
R1 |
1 |
1000 Ohms |
|
R2 |
1 |
120 Ohms |
|
Régulateur |
1 |
LM 7809 en boîtier TO92 |
|
Leds |
12 |
Blanches haute luminosité, du type Nichia NSPW500BS |
L'implantation
Voici le dessin des 2 circuits imprimés que j'ai réalisés. L'un pour le feu de mouillage, l'autre pour le feu de navigation.
Ces 2 circuits sont montés, collés dans un feu de mat Tridata Perko. J'ai voulu rendre ce montage fixe et soudé, plutôt que de simplement les mettre à la place des culots des ampoules, afin d'éliminer tout mauvais contacts qui sont la plupart du temps la cause de non fonctionnement d'un feu en tête de mat. Il sera toujours possible, si besoin, de revenir au feu Perko d'origine, puisque ses pièces n'
Attention, bien sur, de respecter la polarité du branchement afin de ne pas détériorer le montage.
Caractéristiques techniques des leds


Amélioration en Nov 2008 pour le feu de navigation
En 2008, je profite du démattage de Boisbarbu pour améliorer le feu de navigation en remplaçant ses leds par des leds plus puissantes de 20000 mcds. Le petit magasin d'électronique local me les vends à 1,5 € pièce.
|
||||
|
|
||||
|
L-5WCN/5 — 5mm Water Clear White LED Specifications:
|
Gérard

