Alimentation 12v protègée
Le problème:
Si comme moi il vous arrive d'utiliser la batterie de service pour le guindeau ou le démarreur moteur, le fort débit imposé à la batterie pendant quelques secondes a des conséquences facheuses sur certains petits équipements électroniques: comme le PC ou son écran (quand ils sont alimentés directement sur le 12v de la batterie), le pilote automatique, ... Ceci est du au pic de sous tension de la batterie pendant quelques secondes: la tension relevée peut tomber à 10v pendant un temps court.
La solution que j'ai mise en place sur Boisbarbu:
J'utilise une batterie tampon de faible capacité et faible cout, qui alimente l'écran du PC (c'est l'équipement sensible sur Boisbarbu, qui se mettait en état instable lors d'un démarrage moteur ou guindeau), pendant le pic bas de la batterie de service.



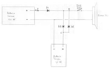
La liste des composants:
- Batterie 1,5 Ah
- D1 : diode Shotky 1N5822, évitant le glitch négatif de la batterie de se transmettre à l'écran, ce qui le mettrait dans un état de suspension stable.
- D2 : diode Shotky 1N5822, alimentant l'écran pendant le glitch
- D3 : diode standard, limitant la tension de charge de la batterie tampon, à 13,6v, lorsque la batterie de service est chargée à 14,2v par l'éolienne.
Gérard
Commentaires
S’abonner au flux RSS pour les commentaires de cet article.